摘要:针对乙烯裂解装置脱丁烷塔塔盘的结垢、堵塞故障,在不停车的情况下,采用合适的在线检测诊断技术对该塔进行检测,准确诊断分析出塔内部故障产生的原因和部位,选择合理的在线冲洗方案,在兼顾塔顶、塔底产品合格的同时,可顺利解决脱丁烷塔内部的堵塞故障,延长了脱丁烷塔的运行时间,避免了装置停车,保证装置的长周期运行。
关键词:脱丁烷塔 运行故障 γ射线扫描技术
脱丁烷塔是乙烯裂解装置的重要设备,在日常生产运行过程中常伴有聚合物结垢、堵塞的问题。随着脱丁烷塔设备运行时间的延长,塔内聚合物的堵塞问题日益突出,并出现在脱丁烷塔的塔盘、降液管等位置的堵塞故障,造成塔压差明显增加,势必会影响其操作稳定性,造成分馏效率降低,产品质量不合格等问题,成为影响装置长周期运行的瓶颈。由于石油化工生产的连续性,一些重要的塔设备不能随意切换或停工处理 ,否则将导致整个装置停车,经济损失巨大。因此,针对此类使用常规检查检测方法难以查找的在役设备内部故障,探索一种有效的在线检测手段显得尤为重要。
1 乙烯裂解脱丁烷塔工艺流程
乙烯裂解装置脱丁烷塔的主要作用是将低压脱丙烷塔塔釜来的碳四及以下组分分离成混合碳四产品和裂解汽油,分别供丁二烯抽提和裂解汽油加氢装置。中国石化镇海炼化分公司乙烯裂解装置于2010年4月投产,脱丁烷塔DA407处于乙烯工艺流程末端,塔顶为混合碳四产品,塔釜为粗汽油产品。该塔共46层塔盘,1-29层为单溢流浮阀塔盘,低压脱丙烷塔进料由第30层塔盘进入,31-40层为双溢流浮阀塔盘,41-46层为双溢流固阀塔盘。塔顶精馏产品混合碳四由塔的回流泵送出,塔釜汽油产品经冷却后与重汽油一起送往裂解汽油加氢装置,塔釜温度设计为112.8℃。其系统工艺流程如图1所示。

图1 脱丁烷塔系统流程示意图
脱丁烷塔DA-407设备基本概况:
塔体规格 | 材质 | 介质 | 操作温度 | 操作压力 | 塔盘数 |
Φ3000×14 | 16MnR | 裂解汽油 | 111℃ | 0.4MPa | 46层浮阀塔盘 |
2 脱丁烷塔故障现象及原因分析
2017年6月,乙烯裂解装置脱丁烷塔DA407在线压力仪表显示下塔压差明显增加,最高增至25KPa左右,根据脱丁烷塔系统各种故障表现,分析其原因为塔内浮阀、降液管等部件因聚合物堵塞,流体流通不畅,产生液泛,导致脱丁烷塔工作不正常,传质传热不良致使产品质量波动,生产部门只能通过降低负荷来维持脱丁烷塔的正常运行。
对上个运行周期发现的聚合物成分进行分析发现,聚合物中大部分的物质是有机物(在800℃时烧失量>80%),其中也含有一定量(11%~13%)的腐蚀副产品———铁氧化物(Fe2O3,Fe3O4)。
3 脱丁烷塔故障的在线诊断
为确定脱丁烷塔内具体的气液相分布情况及堵塞位置,给制定解决方案提供依据,采用合适的在线检测与诊断技术非常必要,而塔设备γ射线扫描检测技术能满足此要求。
3.1 γ射线扫描检测原理
γ射线在物质中的衰减服从指数规律:
ρ——介质(指吸收物质)密度; l——透过介质的厚度;
I——射线透过吸收物质后的强度; Io——初始(γ射线)强度。
μm——物质对射线的吸收系数
射线透过物体后的辐射强度,与物体的厚度、密度及物质对γ射线的吸收系数有关。在塔设备的检测过程中,当塔径、塔壁厚为固定值时,射线穿过塔设备后的辐射强度只与塔内的混相的密度相关。因此射线扫描所得的图谱实际上是反映塔内介质密度的变化情况,正常运行的塔设备其内部密度分布是有一定规律的,通过射线检测得到的辐射强度数据也就存在规律。塔设备的射线扫描检测,就是利用射线扫描得到反映设备内介质密度变化情况的扫描图谱,并对扫描图谱进行分析,来判断塔内气液相运行与塔内件情况。
3.2 检测方法
图2 脱丁烷塔射线检测示意图
如图2所示,在脱丁烷塔检测过程中,将放射源与辐射信号接收器分别放置在塔顶两侧,保证放射源与接收器在同一水平面上,接收器即能接收到射线穿过塔后的辐射强度信号,将放射源与接收器自塔顶至塔底同步向下移动,接收器即能接收到整个塔截面的辐射信号,从而形成检测图谱。
3.3 检测结果
在脱丁烷塔不同时间、及不同运行工况下采用γ射线扫描检测技术对其进行了多次检测,检测结果如下:
2017年7月份:第41~45层两侧塔盘以及第46层其中一侧塔盘液泛,液体流通不畅,第45、46层塔盘存在明显的堵塞故障,第41~44层塔盘可能存在堵塞故障;
2017年12月份:依据7月份的检测结果,对脱丁烷塔下部进行在线冲洗后,第41~44层以及第46层塔盘均恢复正常,第45层塔盘的堵塞故障仍然存在;
2018年3月份:塔内气液相运行情况与2017年12月份情况一致,没有出现明显恶化趋势。
图3 脱丁烷塔γ射线扫描检测图谱
(图中红、蓝两种颜色分别表示中间降液管两侧塔盘的检测图谱,检测日期从左至右:2017-07、2017-12、2018-03)
4 运行故障的在线处理措施
根据脱丁烷塔γ射线扫描的检测结果,提出的具体的处理步骤如下:
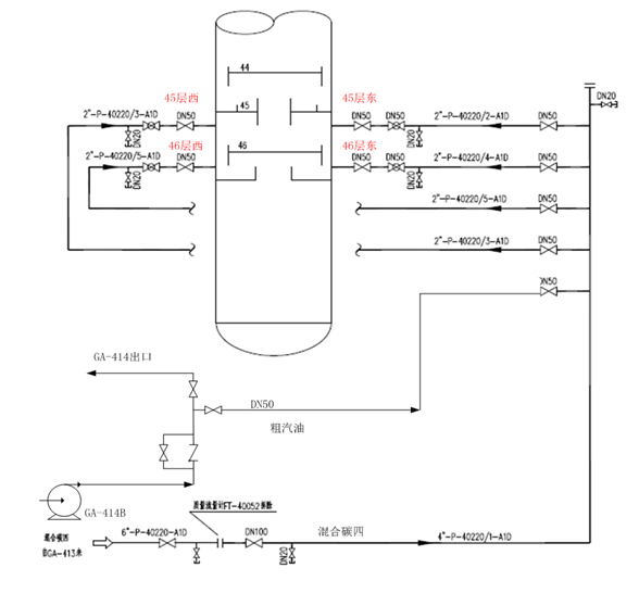
自泵GA-413至界区的混合C4管线上质量流量计(流量计临时拆除)处接引DN100管线至脱丁烷塔,分四路管线分别进塔冲洗,以清除塔内堵塞物。工艺流程图详见图4。
图4 脱丁烷塔在线清洗的管道与工艺流程图
图5 脱丁烷塔在线清洗的管道在塔体平面位置图
处理结果如下:
脱丁烷塔在引入混合C4进行清洗12个小时后,脱丁烷塔下部塔压差有了明显下降,过滤器压差升高,塔内焦块在塔顶物料反冲洗作用下部分脱落。从2017年7月份与12月份脱丁烷塔在线处理前后的检测图谱对比情况也可以看出:冲洗后,塔运行状况有明显好转,第46层塔盘不再出现堵塞故障,且通过对脱丁烷塔的持续冲洗,其运行状况没有显著恶化。
5 脱丁烷塔塔盘的检修
2018年4月,装置停工检修,脱丁烷塔打开检查发现:第45层塔盘上的固阀被大量聚合物堵塞,其实际情况与在线检测的结果基本一致。
根据脱丁烷塔的检查情况,更换了塔下部43-46等四层易出现聚合物结垢的塔盘,去掉了塔盘的溢流堰,增大了塔盘的开孔率,再次开工后,脱丁烷塔运行正常。
图6 脱丁烷塔第45层塔盘固阀堵塞情况照片
6 结语
脱丁烷塔的堵塞故障是由于结焦物在塔盘、降液管聚合,从而引起液体流动不畅所致。结合塔压差的变化情况,采用γ射线扫描技术进行在线检测,判断堵塞部位和堵塞程度,依据检测情况引入合适的清洗介质进行在线清洗,可以顺利解决或缓解脱丁烷塔的堵塞故障,保证了生产装置的长周期运行。
参考文献:
郝宝林 脱丁烷塔聚合发生的原因及应对措施 乙烯工业2017,29(2)